双纤 DWDM系列 SFP+光模块
发布时间:2025-02-06 09:31:09
发布者:710公海线路检测科技
浏览次数:990双纤系列DWDM SFP+光模块是一种采用密集波分复用(Dense Wavelength Division Multiplexing,简称DWDM)技术的SFP(Small Form-factor Pluggable)光模块,该模块利用密集波分复用技术,把不同波长的光信号复用进一根光纤内传送数据。在发送端,将多个不同波长、承载着不同信号的光载波通过复用器耦合到一根光纤中传输;在接收端,通过解复用器将这些不同波长的光信号分离出来,分别进行处理,从而实现多个信号在单根光纤上的同时传输。
DWDM光模块波长间隔非常窄,通常为 0.4nm 或 0.8nm。DWDM系统可以在单根光纤上支持多达80个甚至更多的波长通道,每个通道可以支持高达10Gbps、25Gbps甚至更高的速率,非常适合长距离和大容量的传输需求,适用于广域网(WAN)和数据中心之间的互连。

710公海线路检测科技 GIGAC系列 DWDM SFP光模块
双纤系列 DWDM SFP + 光模块展现出卓越的适应性与强大性能。它支持 1.25Gb/s、2.5Gb/s、3.125Gb/s、6.25Gb/s、10Gb/s、25Gb/s 等多种传输速率,可满足不同应用场景的多样化需求。在传输距离方面,该光模块提供了 10km、20km、40km、80km、120km 和 160km 等丰富选项,能够轻松满足中长距离的光纤传输要求。无论是短距离的数据中心内部连接,还是长距离的城域网通信,都能应对自如,凭借其出色的兼容性和稳定性,成为各类通信场景中可靠的选择。

产品特性:
支持1.25Gb/s,2.5Gb/s,3.125Gb/s、6.25Gb/s、10Gb/s、25Gb/s速率传输
SFP+封装,支持热插拔
单路双纤双向,LC光接口
SFI电气接口
3.3V单电源供电
发射DWDM波长
通过SMF传输距离可达160公里
信号输入/输出CML电平
低EMI和出色的静电放电保护
可定制带CDR功能,支持光、电回环功能
内置数字诊断监控(DDM)功能
产品等级:
军品工业级(J):-40°C/-45°C~+85°C
军品扩展工业级(M):-55°C~+85°C
产品应用:
以太网交换机和路由器
光纤交换机基础设施
DWDM网络
其他光学链接
执行标准:
符合SFP+ MSA(SFF-8431)标准
SFF-8472
符合IEEE 802.3ah标准
符合I类激光安全标准IEC-60825
符合FCC 47 CFR第15部分B类
订购信息表:
| 型号 | 速率 | 波长 | 传输距离 | 光纤类型 | 数据诊断 | 接口 | 工作温度(注1) |
| DTACP**(注2)-11LE*(注1)1 | 1.25G | DWDM | 40km | 单模 | 带 | LC | J/M |
| DTACP**(注2)-11LZ*(注1)1 | 1.25G | DWDM | 80km | 单模 | 带 | LC | J/M |
| DTACP**(注2)-11LK*(注1)1 | 1.25G | DWDM | 100km | 单模 | 带 | LC | J/M |
| DTACP**(注2)-11LQJ1 | 1.25G | DWDM | 120km | 单模 | 带 | LC | -40°C~+85°C |
| DTACP**(注2)-11LQJ1A(注4) | 1.25G | DWDM | 120km | 单模 | 带 | LC | -40°C~+85°C |
| DTACP**(注2)-22LE*(注1)1A3 | 2.5G | DWDM | 40km | 单模 | 带 | LC | J/M |
| DTACP**(注2)-22LHK1 | 2.5G | DWDM | 60km | 单模 | 带 | LC | -45°C~+85°C |
| DTACP**(注2)-22LZ*(注1)1A3 | 2.5G | DWDM | 80km | 单模 | 带 | LC | J/M |
| DTACP**(注2)-22LQ*(注1)1A3 | 2.5G | DWDM | 120km | 单模 | 带 | LC | J/M |
| DTACP**(注2)-22LR*(注1)1A3 | 2.5G | DWDM | 150km | 单模 | 带 | LC | J/M |
| DTACP**(注2)-33LEJ1A3 | 3.125G | DWDM | 40km | 单模 | 带 | LC | -45°C~+85°C |
| DTACP**(注2)-99LE*(注1)1 | 10G | DWDM | 40km | 单模 | 带 | LC | J/M |
| DTACP**(注2)-99LE*(注1)144 | 10G | TX:DWDM;RX:850 | 40km | 单模 | SMF/MMF | LC | J/M |
| DTACP**(注2)-99LZ*(注1)1 | 10G | DWDM | 80km | 单模 | 带 | LC | J/M |
| DTATP**(注2)-99LE*(注1)1 | 10G | DWDM | 10m | SMF | 带 | LC | J/M |
| DTATP**(注2)-99LZ*(注1)1 | 10G | DWDM | 20km | SMF | 带 | LC | J/M |
| DTRCP**(注2)-99LE*(注1)144 | 10G | TX:DWDM;RX:850 | 40km | 单模/多模 | 带 | LC | J/M |
| DTRCP**(注2)-99LZ*(注1)144 | 10G | TX:DWDM;RX:850 | 80km | 单模/多模 | 带 | LC | J/M |
| DTRCP**(注2)-99LK*(注1)144 | 10G | TX:DWDM;RX:850 | 100km | 单模/多模 | 带 | LC | J/M |
注1:外壳温度,“*”表示模块工作温度,“*”=J时表示模块工作温度为-45°C~85°C,“*”=M时表示模块工作温度为-55°C~85°C
注2:详见DWDM波长对应代码表,**表示对应波长代码
注3:80km~120km的模块只有1471~1611nm波长
注4:A表示接收为APD光器件。
DWDM波长对应代码表:
| 代码 | 通道 | 中心频率(THz) | 中心波长(nm) | 代码 | 通道 | 中心频率(THz) | 中心波长(nm) |
| 47 | C13.0 | 191.30 | 1567.13 | B2 | C38.5 | 193.85 | 1546.52 |
| 48 | C23.5 | 191.35 | 1566.72 | B3 | C39.0 | 193.90 | 1546.12 |
| 49 | C14.0 | 191.40 | 1566.31 | B4 | C39.5 | 193.95 | 1545.72 |
| 52 | C14.5 | 191.45 | 1565.90 | B5 | C40.0 | 194.00 | 1545.32 |
| 53 | C15.0 | 191.50 | 1565.50 | B6 | C40.5 | 194.05 | 1544.92 |
| 54 | C15.5 | 191.55 | 1565.09 | B7 | C41.0 | 194.10 | 1544.53 |
| 55 | C16.0 | 191.60 | 1564.68 | B8 | C41.5 | 194.15 | 1544.13 |
| 56 | C16.5 | 191.65 | 1564.27 | B9 | C42.0 | 194.20 | 1543.73 |
| 57 | C17.0 | 191.70 | 1563.86 | C2 | C42.5 | 194.25 | 1543.33 |
| 58 | C17.5 | 191.75 | 1563.45 | C3 | C43.0 | 194.30 | 1542.94 |
| 59 | C18.0 | 191.80 | 1563.05 | C4 | C43.5 | 194.35 | 1542.54 |
| 62 | C18.5 | 191.85 | 1562.64 | C5 | C44.0 | 194.40 | 1542.14 |
| 63 | C19.0 | 191.90 | 1562.23 | C6 | C44.5 | 194.45 | 1541.75 |
| 64 | C19.5 | 191.95 | 1561.82 | C7 | C45.0 | 194.50 | 1541.35 |
| 65 | C20.0 | 192.00 | 1561.42 | C8 | C45.5 | 194.55 | 1540.95 |
| 66 | C20.5 | 192.05 | 1561.01 | C9 | C46.0 | 194.60 | 1540.56 |
| 67 | C21.0 | 192.10 | 1560.61 | D2 | C46.5 | 194.65 | 1540.16 |
| 68 | C21.5 | 192.15 | 1560.20 | D3 | C47.0 | 194.70 | 1539.77 |
| 69 | C22.0 | 192.20 | 1559.79 | D4 | C47.5 | 194.75 | 1539.37 |
| 72 | C22.5 | 192.25 | 1559.39 | D5 | C48.0 | 194.80 | 1538.98 |
| 73 | C23.0 | 192.30 | 1558.98 | D6 | C48.5 | 194.85 | 1538.58 |
| 74 | C23.5 | 192.35 | 1558.58 | D7 | C49.0 | 194.90 | 1538.19 |
| 75 | C24.0 | 192.40 | 1558.17 | D8 | C49.5 | 194.95 | 1537.79 |
| 76 | C24.5 | 192.45 | 1557.77 | D9 | C50.0 | 195.00 | 1537.40 |
| 77 | C25.0 | 192.50 | 1557.36 | E2 | C50.5 | 195.05 | 1537.00 |
| 78 | C25.5 | 192.55 | 1556.96 | E3 | C51.0 | 195.10 | 1536.61 |
| 79 | C26.0 | 192.60 | 1556.55 | E4 | C51.5 | 195.15 | 1536.22 |
| 82 | C26.5 | 192.65 | 1556.15 | E5 | C52.0 | 195.20 | 1535.82 |
| 83 | C27.0 | 192.70 | 1555.75 | E6 | C52.5 | 195.25 | 1535.43 |
| 84 | C27.5 | 192.75 | 1555.34 | E7 | C53.0 | 195.30 | 1535.04 |
| 85 | C28.0 | 192.80 | 1554.94 | E8 | C53.5 | 195.35 | 1534.64 |
| 86 | C28.5 | 192.85 | 1554.54 | E9 | C54.0 | 195.40 | 1534.25 |
| 87 | C29.0 | 192.90 | 1554.13 | F2 | C54.5 | 195.45 | 1533.86 |
| 88 | C29.5 | 192.95 | 1553.73 | F3 | C55.0 | 195.50 | 1533.47 |
| 89 | C30.0 | 193.00 | 1553.33 | F4 | C55.5 | 195.55 | 1533.07 |
| 92 | C30.5 | 193.05 | 1552.93 | F5 | C56.0 | 195.60 | 1532.68 |
| 93 | C31.0 | 193.10 | 1552.52 | F6 | C56.5 | 195.65 | 1532.29 |
| 94 | C31.5 | 193.15 | 1552.12 | F7 | C57.0 | 195.70 | 1531.90 |
| 95 | C32.0 | 193.20 | 1551.72 | F8 | C57.5 | 195.75 | 1531.51 |
| 96 | C32.5 | 193.25 | 1551.32 | F9 | C58.0 | 195.80 | 1531.12 |
| 97 | C33.0 | 193.30 | 1550.92 | G2 | C58.5 | 195.85 | 1530.72 |
| 98 | C33.5 | 193.35 | 1550.52 | G3 | C59.0 | 195.90 | 1530.33 |
| 99 | C34.0 | 193.40 | 1550.12 | G4 | C59.5 | 195.95 | 1529.94 |
| A2 | C34.5 | 193.45 | 1549.72 | G5 | C60.0 | 196.00 | 1529.55 |
| A3 | C35.0 | 193.50 | 1549.32 | G6 | C60.5 | 196.05 | 1529.16 |
| A4 | C35.5 | 193.55 | 1548.91 | G7 | C61.0 | 196.10 | 1528.77 |
| A5 | C36.0 | 193.60 | 1548.51 | G8 | C61.5 | 196.15 | 1528.38 |
| A6 | C36.5 | 193.65 | 1548.11 | G9 | C62.0 | 196.20 | 1527.99 |
| A7 | C37.0 | 193.70 | 1547.72 | H2 | C62.5 | 196.25 | 1527.61 |
| A8 | C37.5 | 193.75 | 1547.32 | H3 | C63.0 | 196.30 | 1527.22 |
| A9 | C38.0 | 193.80 | 1546.92 |
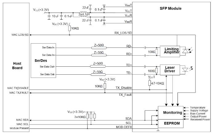
推荐外围电路:

模块尺寸图:(单位为毫米)






