12pin 双纤LC微型USOT光模块
发布时间:2025-03-28 09:46:04
发布者:710公海线路检测科技
浏览次数:284710公海线路检测科技12pin双纤LC微型USOT光模块采用超紧凑LC可插拔接口设计,支持100Mbps至10Gbps多速率自适应传输,该模块创新融合表面贴装技术与CML逻辑电平接口,通过+3.3V单电源供电实现高速信号完整性传输,其全金属铠装外壳与抗震结构设计,可耐受-55℃至100℃极端环境温度(超军级),在振动、宽温等严苛条件下仍保持卓越稳定性。产品采用突破性的微型化封装,较传统光模块体积缩减40%,特别适配高密度集成场景。工业级(-45~85℃)、军用级(-55~85℃)及超军级产品,满足数字雷达相控阵系统、电子对抗装备等高可靠军事通信需求,同时为5G前传、工业互联等民用领域提供多速率、长距离点对点光传输解决方案,是复杂电磁环境下高速数据链建设的理想选择。
相较于其他光模块产品,710公海线路检测科技的USOT光模块在体积缩小约40%的同时,扩展了温度适应范围与抗振性能,更适合军工及极端环境应用。此外,其多速率兼容特性(如支持3.125Gbps等非标速率)在雷达与专用通信系统中更具优势。
产品特性:
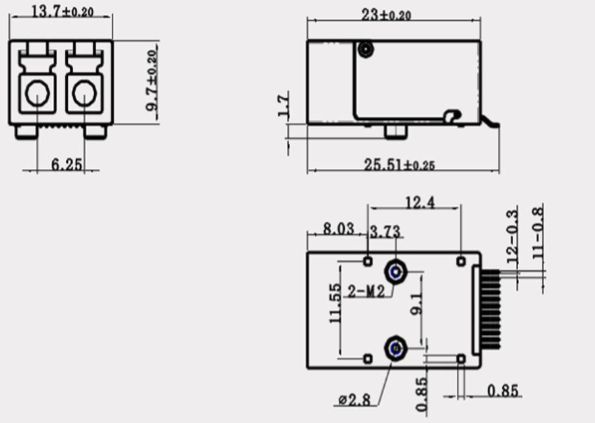
采用超紧凑微型USOT封装,模块高度仅8mm,体积较传统光模块大幅缩减,适合高密度集成场景。
双纤LC可插拔接口设计,支持灵活配置数据连接,便于动态部署。
全金属外壳,结合抗振动设计,增强抗电磁干扰能力,适应严苛环境(如机载、舰载、高海拔等)。
速率支持:
覆盖155Mbps至10Gbps,兼容多速率自适应传输(如2.5G/4.25G/6.25G/10G等),满足不同场景需求。
传输距离:
多模光纤(50/125μm):最大传输距离2km;
单模光纤(9/125μm):最高可达160km(支持0~160km可调)36。
电源与信号接口:
+3.3V单电源供电,功耗低;
信号输入/输出采用CML逻辑电平,适配高速信号完整性需求369。
环境适应性
工作温度范围:
工业级(-45°C~85°C)、军品级(-55°C~85°C)及超军级(-55°C~100°C),满足极端环境稳定性要求。
通过军品级筛选与试验,具备耐湿热、抗冲击等特性。
功能扩展
部分型号支持接收信号检测(SD)与发射使能控制(TDIS),可进入节电模式,提升能效。
可选数字诊断功能(DDM),便于实时监测光模块状态。
产品应用:
军事与工业领域:
适用于数字雷达阵列、电子对抗设备、航天航空通信等对高可靠性和抗干扰能力要求严苛的场景3915。
通信基础设施:
支持高速率点对点光纤通信、光背板传输、千兆以太网及SONET/SDH网络,适配5G前传、工业互联等民用需求69。
特殊环境部署:
凭借超宽温与抗振设计,可应用于船舶、铁路、高海拔等复杂电磁环境下的信号处理中心46。
技术亮点:
引脚兼容性:12针表贴I/O引脚设计兼容中航光电等品牌同类产品,支持快速替换与系统升级。
模块化定制:波长可选(850nm/1310nm/1550nm/CWDM/DWDM),传输距离与工作温度可根据需求灵活配置615。
|
型号 |
速率 | 波长 | 传输距离 | 光纤类型 | 数据诊断 | 接口 | 工作温度 |
| DTACB44-KKLF*(注1)1 | 155M | 850nm | 2km | 多模 | 不带 | LC | J/M |
| DTACB45-KKLF*(注1)1 | 155M | 1310nm | 2km | 多模 | 不带 | LC | J/M |
| DTACB44-11LD*(注1)1 | 1.25G | 850nm | 500m | 多模 | 不带 | LC | J/M |
| DTACB45-11LD*(注1)1 | 1.25G | 1310nm | 500m | 多模 | 不带 | LC | J/M |
| DTACB45-11LL*(注1)1 | 1.25G | 1310nm | 10km | 单模 | 不带 | LC | J/M |
| DTACB45-11LG*(注1)1 | 1.25G | 1310nm | 20km | 单模 | 不带 | LC | J/M |
| DTACB45-11LE*(注1)1 | 1.25G | 1310nm | 40km | 单模 | 不带 | LC | J/M |
| DTACB46-11LZ*(注1)1 | 1.25G | 1550nm | 80km | 单模 | 不带 | LC | J/M |
| DTACB46-11LQ*(注1)1 | 1.25G | 1550nm | 120km | 单模 | 不带 | LC | J/M |
| DTACB46-11LB*(注1)1 | 1.25G | 1550nm | 160km | 单模 | 不带 | LC | J/M |
| DTACB46-11LZ | 1.25G | 1550nm | 80km | 单模 | 不带 | LC | -55°C~100°C |
| DTACB44-22LD*(注1)1 | 2.5G | 850nm | 500m | 多模 | 不带 | LC | J/M |
| DTACB45-22LD*(注1)1 | 2.5G | 1310nm | 500m | 多模 | 不带 | LC | J/M |
| DTACB45-22LL*(注1)1 | 2.5G | 1310nm | 10km | 单模 | 不带 | LC | J/M |
| DTACB45-22LG*(注1)1 | 2.5G | 1310nm | 20km | 单模 | 不带 | LC | J/M |
| DTACB45-22LE*(注1)1 | 2.5G | 1310nm | 40km | 单模 | 不带 | LC | J/M |
| DTACB46-22LZ*(注1)1 | 2.5G | 1550nm | 80km | 单模 | 不带 | LC | J/M |
| DTACB46-22LQ*(注1)1 | 2.5G | 1550nm | 120km | 单模 | 不带 | LC | J/M |
| DTACB46-22LB*(注1)1 | 2.5G | 1550nm | 160km | 单模 | 不带 | LC | J/M |
| DTACB44-33LD*(注1)1 | 3.125G | 850nm | 500m | 多模 | 不带 | LC | J/M |
| DTACB45-33LD*(注1)1 | 3.125G | 1310nm | 500m | 多模 | 不带 | LC | J/M |
| DTACB45-33LL*(注1)1 | 3.125G | 1310nm | 10km | 单模 | 不带 | LC | J/M |
| DTACB45-33LG*(注1)1 | 3.125G | 1310nm | 20km | 单模 | 不带 | LC | J/M |
| DTACB45-33LE*(注1)1 | 3.125G | 1310nm | 40km | 单模 | 不带 | LC | J/M |
| DTACB46-33LZ*(注1)1 | 3.125G | 1550nm | 80km | 单模 | 不带 | LC | J/M |
| DTACB46-33LQ*(注1)1 | 3.125G | 1550nm | 120km | 单模 | 不带 | LC | J/M |
| DTACB46-33LB*(注1)1 | 3.125G | 1550nm | 160km | 单模 | 不带 | LC | J/M |
| DTACB44-44LD*(注1)1 | 4.25G | 850nm | 500m | 多模 | 不带 | LC | J/M |
| DTACB45-44LD*(注1)1 | 4.25G | 1310nm | 500m | 多模 | 不带 | LC | J/M |
| DTACB45-44LL*(注1)1 | 4.25G | 1310nm | 10km | 单模 | 不带 | LC | J/M |
| DTACB45-44LG*(注1)1 | 4.25G | 1310nm | 20km | 单模 | 不带 | LC | J/M |
| DTACB45-44LE*(注1)1 | 4.25G | 1310nm | 40km | 单模 | 不带 | LC | J/M |
| DTACB46-44LZ*(注1)1 | 4.25G | 1550nm | 80km | 单模 | 不带 | LC | J/M |
| DTACB46-44LQ*(注1)1 | 4.25G | 1550nm | 120km | 单模 | 不带 | LC | J/M |
| DTACB46-44LB*(注1)1 | 4.25G | 1550nm | 160km | 单模 | 不带 | LC | J/M |
| DTACB44-66LD*(注1)1 | 6.25G | 850nm | 500m | 多模 | 不带 | LC | J/M |
| DTACB45-66LD*(注1)1 | 6.25G | 1310nm | 500m | 多模 | 不带 | LC | J/M |
| DTACB45-66LL*(注1)1 | 6.25G | 1310nm | 10km | 单模 | 不带 | LC | J/M |
| DTACB45-66LG*(注1)1 | 6.25G | 1310nm | 20km | 单模 | 不带 | LC | J/M |
| DTACB45-66LE*(注1)1 | 6.25G | 1310nm | 40km | 单模 | 不带 | LC | J/M |
| DTACB46-66LZ*(注1)1 | 6.25G | 1550nm | 80km | 单模 | 不带 | LC | J/M |
| DTACB46-66LQ*(注1)1 | 6.25G | 1550nm | 120km | 单模 | 不带 | LC | J/M |
| DTACB46-66LB*(注1)1 | 6.25G | 1550nm | 160km | 单模 | 不带 | LC | J/M |
| DTACB44-99LD*(注1)1 | 10G | 850nm | 500m | 多模 | 不带 | LC | J/M |
| DTACB45-99LD*(注1)1 | 10G | 1310nm | 500m | 多模 | 不带 | LC | J/M |
| DTACB45-99LL*(注1)1 | 10G | 1310nm | 10km | 单模 | 不带 | LC | J/M |
| DTACB45-99LG*(注1)1 | 10G | 1310nm | 20km | 单模 | 不带 | LC | J/M |
| DTACB45-99LE*(注1)1 | 10G | 1310nm | 40km | 单模 | 不带 | LC | J/M |
| DTACB46-99LZ*(注1)1 | 10G | 1550nm | 80km | 单模 | 不带 | LC | J/M |
| DTACB46-99LQ*(注1)1 | 10G | 1550nm | 120km | 单模 | 不带 | LC | J/M |
| DTACB46-99LB*(注1)1 | 10G | 1550nm | 160km | 单模 | 不带 | LC | J/M |
模块封装尺寸:
单位为毫米,未标注公差为±0.2mm。





